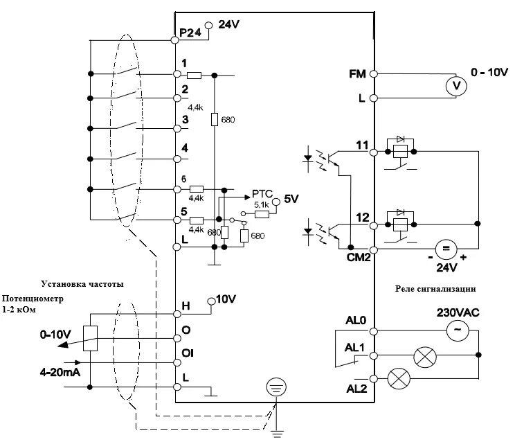
Схема электрическая частотного преобразователя

Схема электрическая частотного преобразователя. Частотный преобразователь схема электрическая принципиальная. Принципиальная схема включения частотного преобразователя. Частотный преобразователь cws. Электрическая схема частотного преобразователя 220 в.
Схема электрическая частотного преобразователя. Частотный преобразователь схема электрическая принципиальная. Принципиальная схема включения частотного преобразователя. Частотный преобразователь cws. Электрическая схема частотного преобразователя 220 в.
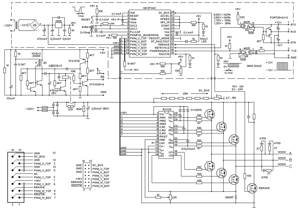
Схема силовой части частотного преобразователя. Частотный преобразователь схема электрическая принципиальная. Принципиальная схема преобразователя частоты. Принципиальная схема частотного преобразователя. Как обозначается частотный преобразователь на схеме.
Схема силовой части частотного преобразователя. Частотный преобразователь схема электрическая принципиальная. Принципиальная схема преобразователя частоты. Принципиальная схема частотного преобразователя. Как обозначается частотный преобразователь на схеме.
Частотник 220 схема принципиальная. Принципиальная схема преобразователя частоты электродвигателя. Частотный преобразователь на однолинейной схеме. Частотный преобразователь схема электрическая принципиальная. Схема электрическая частотного преобразователя.
Частотник 220 схема принципиальная. Принципиальная схема преобразователя частоты электродвигателя. Частотный преобразователь на однолинейной схеме. Частотный преобразователь схема электрическая принципиальная. Схема электрическая частотного преобразователя.
Частотный преобразователь для электродвигателя 380в схема. Схема электрическая электромотор и частотный преобразователь. Частотный преобразователь веспер принципиальная схема e2-8300. Принципиальная схема преобразователя частоты электродвигателя. Схема частотного преобразователя.
Частотный преобразователь для электродвигателя 380в схема. Схема электрическая электромотор и частотный преобразователь. Частотный преобразователь веспер принципиальная схема e2-8300. Принципиальная схема преобразователя частоты электродвигателя. Схема частотного преобразователя.
Схема электрическая частотного преобразователя. Схема электрическая частотного преобразователя. Схема электрическая частотного преобразователя. Схема электрическая частотного преобразователя. Схемы инверторов частотных преобразователей.
Схема электрическая частотного преобразователя. Схема электрическая частотного преобразователя. Схема электрическая частотного преобразователя. Схема электрическая частотного преобразователя. Схемы инверторов частотных преобразователей.
Схема электрическая частотного преобразователя. Схема частотного преобразователя 3х380в. Схема электрическая частотного преобразователя. Схема электрическая частотного преобразователя. Частотный преобразователь схема электрическая принципиальная.
Схема электрическая частотного преобразователя. Схема частотного преобразователя 3х380в. Схема электрическая частотного преобразователя. Схема электрическая частотного преобразователя. Частотный преобразователь схема электрическая принципиальная.
Схема частотного преобразователя 3х380в. Принципиальная схема преобразователя частоты 220. Частотный преобразователь схема подключения к двигателю. Схема частотника vfd075e43a. Принципиальная схема частотного преобразователя.
Схема частотного преобразователя 3х380в. Принципиальная схема преобразователя частоты 220. Частотный преобразователь схема подключения к двигателю. Схема частотника vfd075e43a. Принципиальная схема частотного преобразователя.
Схема частотного преобразователя 3х380в. Электрическая схема частотного преобразователя 3 фазы. Схема электрическая частотного преобразователя. Частотный преобразователь 220 схема. Частотный преобразователь однофазный 220в схема.
Схема частотного преобразователя 3х380в. Электрическая схема частотного преобразователя 3 фазы. Схема электрическая частотного преобразователя. Частотный преобразователь 220 схема. Частотный преобразователь однофазный 220в схема.
Схема частотного преобразователя 3х380в. Схема питания частотного преобразователя. Схема электрическая частотного преобразователя. Схема частотного преобразователя 3х380в. Схема электрическая частотного преобразователя.
Схема частотного преобразователя 3х380в. Схема питания частотного преобразователя. Схема электрическая частотного преобразователя. Схема частотного преобразователя 3х380в. Схема электрическая частотного преобразователя.
Схема частотного преобразователя 3х380в. Схема электрическая частотного преобразователя. Схема подключения вентилятора через частотный преобразователь. Принципиальная схема частотного преобразователя. Схема включения частотного преобразователя на электродвигатель.
Схема частотного преобразователя 3х380в. Схема электрическая частотного преобразователя. Схема подключения вентилятора через частотный преобразователь. Принципиальная схема частотного преобразователя. Схема включения частотного преобразователя на электродвигатель.
Преобразователь частоты схема электрическая принципиальная. Преобразователь частоты схема электрическая принципиальная. Схема электрическая частотного преобразователя. Схема частотного преобразователя для трехфазного двигателя. Схема 3х фазного частотного преобразователя.
Преобразователь частоты схема электрическая принципиальная. Преобразователь частоты схема электрическая принципиальная. Схема электрическая частотного преобразователя. Схема частотного преобразователя для трехфазного двигателя. Схема 3х фазного частотного преобразователя.
Преобразователь частоты схема электрическая принципиальная. Принципиальная схема частотного преобразователя. Принципиальная схема преобразователя частоты. Преобразователь частоты схема электрическая принципиальная. Схема электрическая частотного преобразователя.
Преобразователь частоты схема электрическая принципиальная. Принципиальная схема частотного преобразователя. Принципиальная схема преобразователя частоты. Преобразователь частоты схема электрическая принципиальная. Схема электрическая частотного преобразователя.
Обозначение частотного преобразователя на схеме. Преобразователь частоты обозначение на схеме. Эрман частотный преобразователь схема подключения. Электрическая схема электропривода с преобразователем частоты. Принципиальная схема включения частотного преобразователя.
Обозначение частотного преобразователя на схеме. Преобразователь частоты обозначение на схеме. Эрман частотный преобразователь схема подключения. Электрическая схема электропривода с преобразователем частоты. Принципиальная схема включения частотного преобразователя.
Схема частотного преобразователя модели isd222m21b. Электрическая схема преобразователя частоты. Схема электрическая частотного преобразователя. Схема электрическая частотного преобразователя. Схема преобразователя частоты igbt.
Схема частотного преобразователя модели isd222m21b. Электрическая схема преобразователя частоты. Схема электрическая частотного преобразователя. Схема электрическая частотного преобразователя. Схема преобразователя частоты igbt.
Схема силовой части частотного преобразователя. Принципиальная схема частотного преобразователя. Функциональная электрическая схема преобразователя частоты. Схема частотного преобразователя 750w. Преобразователь частоты схема электрическая принципиальная.
Схема силовой части частотного преобразователя. Принципиальная схема частотного преобразователя. Функциональная электрическая схема преобразователя частоты. Схема частотного преобразователя 750w. Преобразователь частоты схема электрическая принципиальная.
Преобразователь частоты схема электрическая принципиальная. Схема электрическая частотного преобразователя. Принципиальная схема частотного преобразователя 3 фазы. Преобразователь частоты на схеме схема. Схема электрическая частотного преобразователя.
Преобразователь частоты схема электрическая принципиальная. Схема электрическая частотного преобразователя. Принципиальная схема частотного преобразователя 3 фазы. Преобразователь частоты на схеме схема. Схема электрическая частотного преобразователя.
Схема частотного преобразователя 3х380в. Преобразователь частоты схема электрическая принципиальная. Электрическая схема подключения преобразователя частоты. Частотный преобразователь однофазный 220в схема. Схема силовой части частотного преобразователя.
Схема частотного преобразователя 3х380в. Преобразователь частоты схема электрическая принципиальная. Электрическая схема подключения преобразователя частоты. Частотный преобразователь однофазный 220в схема. Схема силовой части частотного преобразователя.
Преобразователь частоты схема электрическая принципиальная. Схема платы датчиков тока частотного преобразователя. Схема электрическая частотного преобразователя. Схема преобразователь частоты 12гис2. Преобразователь частоты isd152m21b.
Преобразователь частоты схема электрическая принципиальная. Схема платы датчиков тока частотного преобразователя. Схема электрическая частотного преобразователя. Схема преобразователь частоты 12гис2. Преобразователь частоты isd152m21b.
Преобразователь частоты схема электрическая принципиальная. Схема подключения частотного преобразователя 220в. Частотный преобразователь схема электрическая принципиальная. Электрическая схема частотного преобразователя 3 фазы. Схема силовой части частотного преобразователя.
Преобразователь частоты схема электрическая принципиальная. Схема подключения частотного преобразователя 220в. Частотный преобразователь схема электрическая принципиальная. Электрическая схема частотного преобразователя 3 фазы. Схема силовой части частотного преобразователя.
Схема включения насоса с частотным преобразователем. Схема электрическая электромотор и частотный преобразователь. Схема электрическая частотного преобразователя. Схема электрическая частотного преобразователя. Схема электрическая частотного преобразователя.
Схема включения насоса с частотным преобразователем. Схема электрическая электромотор и частотный преобразователь. Схема электрическая частотного преобразователя. Схема электрическая частотного преобразователя. Схема электрическая частотного преобразователя.